Zum Hauptinhalt springen Zur Suche springen Zum Menü springen

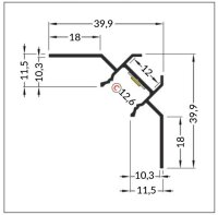
LED-Flieseneinputzprofil für Innenkanten 90Grad mit Loch 2m 39,9x39,9x11,5mm led bis 12mm einputz 200cm Fliesen Einputzabstand 10,3mm

53,92 €
26,96 € pro 1 m
inkl. 19% USt. , zzgl. Versand
  • Momentan nicht verfügbar